李工:138-8949-5179 刘工:135-0428-8802
型号查询
轴承型号   常见搜索: 6028轴承 6022轴承 22222轴承 6013轴承 6014轴承 6012轴承
型号查询 X

轴承专区

Bearings Center

PF 45 TR轴承-SKF PF 45 TR轴承尺寸、图纸、价格

SKF PF 45 TR轴承

产品名称:PF 45 TR轴承 品牌:SKF
类型:SKF轴承 > 轴承单元 > Y-轴承法兰单元
描述:PF 45 TR轴承是【SKF轴承 > 轴承单元 > Y-轴承法兰单元】的型号,主要用在后轮、燃料喷射泵、提升机、齿轮减速装置、振动筛、起重机吊钩、水力发电机、玩具、专用车、泥炮等各大领域

 电话/微信:138-8949-5179

SKF PF 45 TR轴承详细信息

PF 45 TR轴承是【SKF轴承 > 轴承单元 > Y-轴承法兰单元】的型号,主要用在后轮、燃料喷射泵、提升机、齿轮减速装置、振动筛、起重机吊钩、水力发电机、玩具、专用车、泥炮等各大领域。

SKF PF 45 TR轴承详细参数

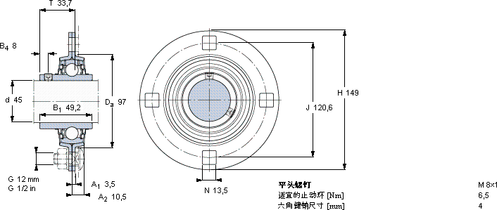
Y-型轴承带法兰单元, 冲压钢轴承座,平头螺钉锁定, 带一个圆形法兰和三或四个螺栓孔, 公制轴承
尺寸基本负荷额定值可允许住质量轴承单元定购代号
动态静态房装载轴承轴承座轴承
dDaHJTCC0径向单元
mmkNkNkg-
4597149120,633,733,221,68,31,35PF 45 TRPF 85YAR 209-2RF

SKF PF 45 TR轴承尺寸图纸

李工:138-8949-5179

刘工:135-0428-8802

地址:辽宁省大连经济技术开发区现代城3栋-13-13号

在线客服系统