李工:138-8949-5179 刘工:135-0428-8802
型号查询
轴承型号   常见搜索: 6015轴承 6304轴承 32313轴承 6030轴承 6014轴承 688a轴承
型号查询 X

轴承专区

Bearings Center

51106 V/HR11T1轴承-SKF 51106 V/HR11T1轴承尺寸、图纸、价格

SKF 51106 V/HR11T1轴承

产品名称:51106 V/HR11T1轴承 品牌:SKF
类型:SKF轴承 > 滚动轴承 > 工程产品
描述:51106 V/HR11T1轴承是【SKF轴承 > 滚动轴承 > 工程产品】的型号,主要用在建筑机械、离心分离机、发电机、变速器、各类产业用减速机、制铁制钢机械、成形机、烟草机械、堆取料机、港口起重机等各大领域

 电话/微信:138-8949-5179

SKF 51106 V/HR11T1轴承详细信息

51106 V/HR11T1轴承是【SKF轴承 > 滚动轴承 > 工程产品】的型号,主要用在建筑机械、离心分离机、发电机、变速器、各类产业用减速机、制铁制钢机械、成形机、烟草机械、堆取料机、港口起重机等各大领域。

SKF 51106 V/HR11T1轴承详细参数

聚合物球轴承,推力球轴承, POM/POM/stainless steel/POM
主要数据尺寸负荷能力额定速度体积型号
dDB动态1)静态2)最大3)最大-
1) above 50 °C and/or above 20 %3) Consider load carrying
of max speed rating considercapability reduction according
2) above 50 °C consider
mmkNr/minkg-
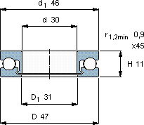
3047110,950,764000,01751106 V/HR11T1

SKF 51106 V/HR11T1轴承尺寸图纸

李工:138-8949-5179

刘工:135-0428-8802

地址:辽宁省大连经济技术开发区现代城3栋-13-13号

在线客服系统