李工:138-8949-5179 刘工:135-0428-8802
型号查询
轴承型号   常见搜索: 6022轴承 6309轴承 32313轴承 6214轴承 6026轴承 6016轴承
型号查询 X

轴承专区

Bearings Center

BSA 306 CG轴承-SKF BSA 306 CG轴承尺寸、图纸、价格

SKF BSA 306 CG轴承

产品名称:BSA 306 CG轴承 品牌:SKF
类型:SKF轴承 > 超高精密轴承 > Angular contact thrust ball bearings for screw drives
描述:BSA 306 CG轴承是【SKF轴承 > 超高精密轴承 > Angular contact thrust ball bearings for screw drives】的型号,主要用在农业机械、燃料喷射泵、桥式起重机、齿轮减速装置、铁路车辆车轴、起重机吊钩、钢铁厂、洗染、强夯机、机场加油机等各大领域

 电话/微信:138-8949-5179

SKF BSA 306 CG轴承详细信息

BSA 306 CG轴承是【SKF轴承 > 超高精密轴承 > Angular contact thrust ball bearings for screw drives】的型号,主要用在农业机械、燃料喷射泵、桥式起重机、齿轮减速装置、铁路车辆车轴、起重机吊钩、钢铁厂、洗染、强夯机、机场加油机等各大领域。

SKF BSA 306 CG轴承详细参数

角接触推力球轴承 for screw drives, single direction
主要数据尺寸基本负荷额定值疲劳负荷限值可达到的速度体积型号
动态静态当润滑与SKFSNFA
油脂滴油润滑
dDHCC0Pu
mmkNkNr/minkg-
30721940,5983,65670080000,4BSA 306 CGBS 330 7P62U

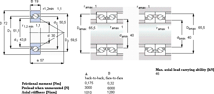
SKF BSA 306 CG轴承尺寸图纸

李工:138-8949-5179

刘工:135-0428-8802

地址:辽宁省大连经济技术开发区现代城3栋-13-13号

在线客服系统