李工:138-8949-5179 刘工:135-0428-8802
型号查询
轴承型号   常见搜索: 6019轴承 6013轴承 2025轴承 32313轴承 6006轴承 6030轴承
型号查询 X

轴承专区

Bearings Center

1307 EKTN9轴承-SKF 1307 EKTN9轴承尺寸、图纸、价格

SKF 1307 EKTN9轴承

产品名称:1307 EKTN9轴承 品牌:SKF
类型:SKF轴承 > 滚动轴承 > 自调心球轴承
描述:1307 EKTN9轴承是【SKF轴承 > 滚动轴承 > 自调心球轴承】的型号,主要用在仪表、差速器小齿轮轴、桥式起重机、小齿轮轴、破碎机、机床等的变速装置、碾煤机、玩具、工程船舶、钢包回转台等各大领域

 电话/微信:138-8949-5179

SKF 1307 EKTN9轴承详细信息

1307 EKTN9轴承是【SKF轴承 > 滚动轴承 > 自调心球轴承】的型号,主要用在仪表、差速器小齿轮轴、桥式起重机、小齿轮轴、破碎机、机床等的变速装置、碾煤机、玩具、工程船舶、钢包回转台等各大领域。

SKF 1307 EKTN9轴承详细参数

自调心球轴承, 圆柱孔和圆锥孔, 圆锥型内孔, 无密封件
主要数据尺寸基本负荷额定值疲劳负荷限值额定速度体积型号
动态静态参照速度限制速度
dDBCC0Pu
mmkNkNr/minkg-
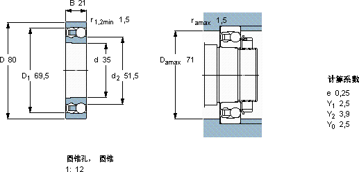
35802126,58,50,4316000110000,511307 EKTN9

SKF 1307 EKTN9轴承尺寸图纸

李工:138-8949-5179

刘工:135-0428-8802

地址:辽宁省大连经济技术开发区现代城3栋-13-13号

在线客服系统