轴承专区
Bearings Center
PDRJ 319轴承-SKF PDRJ 319轴承尺寸、图纸、价格
SKF PDRJ 319轴承
| 产品名称: | PDRJ 319轴承 | 品牌: | SKF |
|---|---|---|---|
| 类型: | SKF轴承 > 轴承单元 > 双轴承装置 | ||
| 描述: | PDRJ 319轴承是【SKF轴承 > 轴承单元 > 双轴承装置】的型号,主要用在后轮、燃料喷射泵、挖土机履带轮、齿轮减速装置、振动筛、石油钻机、水力发电机、电子、给料机械、泥炮等各大领域 | ||
电话/微信:138-8949-5179
SKF PDRJ 319轴承详细信息
PDRJ 319轴承是【SKF轴承 > 轴承单元 > 双轴承装置】的型号,主要用在后轮、燃料喷射泵、挖土机履带轮、齿轮减速装置、振动筛、石油钻机、水力发电机、电子、给料机械、泥炮等各大领域。
SKF PDRJ 319轴承详细参数
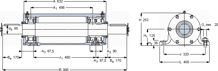
| 双轴承单元, PDRJ单元 | ||||||||||
| 尺寸 | 整体轴承 | 质量 | 型号 | |||||||
| 轴承座与 | Key405 | 轴承单元 | ||||||||
| db | B | H | H1 | L | ||||||
| mm | - | kg | - | |||||||
| 85 | 995 | 253 | 125 | 400 | NU 319 ECP | 6319/C3 | NU 319 ECP | 164 | PDRJ 319 | |
SKF PDRJ 319轴承尺寸图纸

