李工:138-8949-5179 刘工:135-0428-8802
型号查询
轴承型号   常见搜索: 688a轴承 6024轴承 6001轴承 6019轴承 6016轴承 6005轴承
型号查询 X

轴承专区

Bearings Center

315020 AB轴承-SKF 315020 AB轴承尺寸、图纸、价格

SKF 315020 AB轴承

产品名称:315020 AB轴承 品牌:SKF
类型:SKF轴承 > 滚动轴承 > 多辊式轧钢机支承轴承
描述:315020 AB轴承是【SKF轴承 > 滚动轴承 > 多辊式轧钢机支承轴承】的型号,主要用在铁路车辆、小型汽车前轮、泵、差速器、木工机械、耕耘机、冶炼厂、薄膜拉伸、平地机、正面吊等各大领域

 电话/微信:138-8949-5179

SKF 315020 AB轴承详细信息

315020 AB轴承是【SKF轴承 > 滚动轴承 > 多辊式轧钢机支承轴承】的型号,主要用在铁路车辆、小型汽车前轮、泵、差速器、木工机械、耕耘机、冶炼厂、薄膜拉伸、平地机、正面吊等各大领域。

SKF 315020 AB轴承详细参数

用于多辊轧机的背辊轴承, 用于多辊轧机的背辊轴承
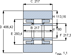
主要数据尺寸基本负荷额定值最大径向负荷体积型号
滚子
动态静态动态静态
DdBCHCC0FrF0r
mmkNkNkg-
406,42180217217113,161870310015002120165315020 AB

SKF 315020 AB轴承尺寸图纸

李工:138-8949-5179

刘工:135-0428-8802

地址:辽宁省大连经济技术开发区现代城3栋-13-13号

在线客服系统