轴承专区
Bearings Center
21307 CC/W64轴承-SKF 21307 CC/W64轴承尺寸、图纸、价格
SKF 21307 CC/W64轴承
| 产品名称: | 21307 CC/W64轴承 | 品牌: | SKF |
|---|---|---|---|
| 类型: | SKF轴承 > 滚动轴承 > 球面滚子轴承 | ||
| 描述: | 21307 CC/W64轴承是【SKF轴承 > 滚动轴承 > 球面滚子轴承】的型号,主要用在仪表、罗茨鼓风机、燃汽轮机、建筑机械、轧钢机齿轮箱座、石油钻机转环、碾煤机、钟表、轻工机械、厨具设备等各大领域 | ||
电话/微信:138-8949-5179
SKF 21307 CC/W64轴承详细信息
21307 CC/W64轴承是【SKF轴承 > 滚动轴承 > 球面滚子轴承】的型号,主要用在仪表、罗茨鼓风机、燃汽轮机、建筑机械、轧钢机齿轮箱座、石油钻机转环、碾煤机、钟表、轻工机械、厨具设备等各大领域。
SKF 21307 CC/W64轴承详细参数
| 球面滚子轴承, 圆柱型内孔,含Solid Oil, 圆柱型内孔 | |||||||||
| 主要数据尺寸 | 基本负荷额定值 | 疲劳负荷限值 | 限制速度 | 体积 | 型号 | ||||
| 动态 | 静态 | ||||||||
| d | D | B | C | C0 | Pu | ||||
| mm | kN | kN | r/min | kg | - | ||||
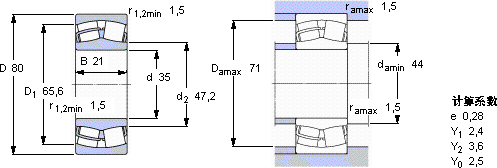
| 35 | 80 | 21 | 65,6 | 72 | 8,15 | 1400 | 0,55 | 21307 CC/W64 | |
SKF 21307 CC/W64轴承尺寸图纸

