李工:138-8949-5179 刘工:135-0428-8802
型号查询
轴承型号   常见搜索: 6214轴承 6014轴承 6007轴承 6003轴承 6022轴承 6010轴承
型号查询 X

轴承专区

Bearings Center

PDRJ 315轴承-SKF PDRJ 315轴承尺寸、图纸、价格

SKF PDRJ 315轴承

产品名称:PDRJ 315轴承 品牌:SKF
类型:SKF轴承 > 轴承单元 > 双轴承装置
描述:PDRJ 315轴承是【SKF轴承 > 轴承单元 > 双轴承装置】的型号,主要用在农业机械、油泵、减速装置、机床主轴、铁路车辆车轴、起重机吊钩、钢铁厂、化纤机械、强夯机、太阳能发电设备等各大领域

 电话/微信:138-8949-5179

SKF PDRJ 315轴承详细信息

PDRJ 315轴承是【SKF轴承 > 轴承单元 > 双轴承装置】的型号,主要用在农业机械、油泵、减速装置、机床主轴、铁路车辆车轴、起重机吊钩、钢铁厂、化纤机械、强夯机、太阳能发电设备等各大领域。

SKF PDRJ 315轴承详细参数

双轴承单元, PDRJ单元
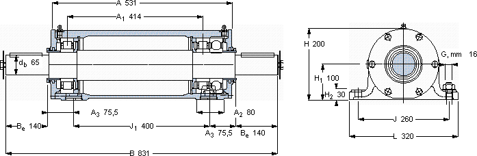
尺寸整体轴承质量型号
轴承座与Key405轴承单元
dbBHH1L
mm-kg-
65831200100320NU 315 ECP6315/C3NU 315 ECP85,5PDRJ 315

SKF PDRJ 315轴承尺寸图纸

李工:138-8949-5179

刘工:135-0428-8802

地址:辽宁省大连经济技术开发区现代城3栋-13-13号

在线客服系统