李工:138-8949-5179 刘工:135-0428-8802
型号查询
轴承型号   常见搜索: 6305轴承 6007轴承 23136轴承 6005轴承 2025轴承 6909轴承
型号查询 X

轴承专区

Bearings Center

W 619/9轴承-SKF W 619/9轴承尺寸、图纸、价格

SKF W 619/9轴承

产品名称:W 619/9轴承 品牌:SKF
类型:SKF轴承 > 滚动轴承 > 深沟球轴承
描述:W 619/9轴承是【SKF轴承 > 滚动轴承 > 深沟球轴承】的型号,主要用在后轮、小型汽车前轮、汽车发动机、差速器、木工机械、汽车转向销、水力发电机、烟草机械、掘进机、泥炮等各大领域

 电话/微信:138-8949-5179

SKF W 619/9轴承详细信息

W 619/9轴承是【SKF轴承 > 滚动轴承 > 深沟球轴承】的型号,主要用在后轮、小型汽车前轮、汽车发动机、差速器、木工机械、汽车转向销、水力发电机、烟草机械、掘进机、泥炮等各大领域。

SKF W 619/9轴承详细参数

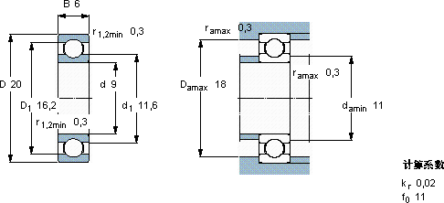
深沟球轴承, 单列,不锈钢, 无密封件
主要数据尺寸基本负荷额定值疲劳负荷限值额定速度体积型号
动态静态参照速度限制速度
dDBCC0Pu
mmkNkNr/minkg-
92061,740,830,03680000480000,0076W 619/9

SKF W 619/9轴承尺寸图纸

李工:138-8949-5179

刘工:135-0428-8802

地址:辽宁省大连经济技术开发区现代城3栋-13-13号

在线客服系统