轴承专区
Bearings Center
22313 EK + AH 2313 G *轴承-SKF 22313 EK + AH 2313 G *轴承尺寸、图纸、价格
SKF 22313 EK + AH 2313 G *轴承
| 产品名称: | 22313 EK + AH 2313 G *轴承 | 品牌: | SKF |
|---|---|---|---|
| 类型: | SKF轴承 > 滚动轴承 > 球面滚子轴承 | ||
| 描述: | 22313 EK + AH 2313 G *轴承是【SKF轴承 > 滚动轴承 > 球面滚子轴承】的型号,主要用在农业机械、空气压缩机、中型及大型电动机、大型农业机械、木工机械、耕耘机、钢铁厂、化纤机械、地基处理机械、刮泥机等各大领域 | ||
电话/微信:138-8949-5179
SKF 22313 EK + AH 2313 G *轴承详细信息
22313 EK + AH 2313 G *轴承是【SKF轴承 > 滚动轴承 > 球面滚子轴承】的型号,主要用在农业机械、空气压缩机、中型及大型电动机、大型农业机械、木工机械、耕耘机、钢铁厂、化纤机械、地基处理机械、刮泥机等各大领域。
SKF 22313 EK + AH 2313 G *轴承详细参数
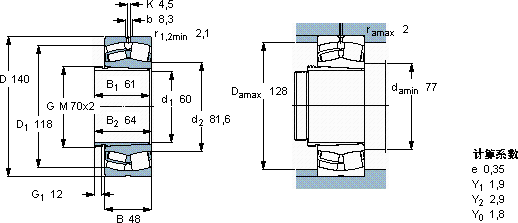
| 球面滚子轴承, 带退卸套的 | ||||||||||
| 主要数据尺寸 | 基本负荷额定值 | 疲劳负荷限值 | 额定速度 | 体积 | 型号 | |||||
| 动态 | 静态 | 参照速度 | 限制速度 | 轴承 +退卸套 | ||||||
| d1 | D | B | C | C0 | Pu | |||||
| * - SKF Explorer 轴承 | ||||||||||
| mm | kN | kN | r/min | kg | - | |||||
| 60 | 140 | 48 | 340 | 360 | 38 | 3800 | 5000 | 4,10 | 22313 EK + AH 2313 G * | |
SKF 22313 EK + AH 2313 G *轴承尺寸图纸

