轴承专区
Bearings Center
YEL 206-103-2FCW轴承-SKF YEL 206-103-2FCW轴承尺寸、图纸、价格
SKF YEL 206-103-2FCW轴承
| 产品名称: | YEL 206-103-2FCW轴承 | 品牌: | SKF |
|---|---|---|---|
| 类型: | SKF轴承 > 滚动轴承 > Y-轴承 | ||
| 描述: | YEL 206-103-2FCW轴承是【SKF轴承 > 滚动轴承 > Y-轴承】的型号,主要用在燃汽轮机、离心分离机、中型及大型电动机、变速器、减速装置、石油钻机转环、电机厂、玩具、轻工机械、抓钢机等各大领域 | ||
电话/微信:138-8949-5179
SKF YEL 206-103-2FCW轴承详细信息
YEL 206-103-2FCW轴承是【SKF轴承 > 滚动轴承 > Y-轴承】的型号,主要用在燃汽轮机、离心分离机、中型及大型电动机、变速器、减速装置、石油钻机转环、电机厂、玩具、轻工机械、抓钢机等各大领域。
SKF YEL 206-103-2FCW轴承详细参数
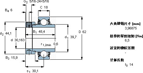
| Y-轴承, 带偏心锁定环的, YEL 2-2FCW | ||||||||||
| 主要数据尺寸 | 基本负荷额定值 | 疲劳负荷限值 | 限制速度 | 体积 | 型号 | |||||
| 动态 | 静态 | |||||||||
| d | D | B1 (B) | C | C | C0 | Pu | 用于轴公差h6 | |||
| mm | kN | kN | r/min | kg | - | |||||
| 30,163 | 62 | 48,4 | 18 | 19,5 | 11,2 | 0,475 | 6300 | 0,35 | YEL 206-103-2FCW | |
SKF YEL 206-103-2FCW轴承尺寸图纸

