李工:138-8949-5179 刘工:135-0428-8802
型号查询
轴承型号   常见搜索: 71913轴承 6305轴承 6909轴承 6013轴承 23136轴承 6005轴承
型号查询 X

轴承专区

Bearings Center

23028 CCK/W33 + AHX 3028 *轴承-SKF 23028 CCK/W33 + AHX 3028 *轴承尺寸、图纸、价格

SKF 23028 CCK/W33 + AHX 3028 *轴承

产品名称:23028 CCK/W33 + AHX 3028 *轴承 品牌:SKF
类型:SKF轴承 > 滚动轴承 > 球面滚子轴承
描述:23028 CCK/W33 + AHX 3028 *轴承是【SKF轴承 > 滚动轴承 > 球面滚子轴承】的型号,主要用在燃汽轮机、差速器小齿轮轴、泵、小齿轮轴、轧钢机齿轮箱座、机床主轴、电机厂、饮料设备、混凝土机械、数控设备等各大领域

 电话/微信:138-8949-5179

SKF 23028 CCK/W33 + AHX 3028 *轴承详细信息

23028 CCK/W33 + AHX 3028 *轴承是【SKF轴承 > 滚动轴承 > 球面滚子轴承】的型号,主要用在燃汽轮机、差速器小齿轮轴、泵、小齿轮轴、轧钢机齿轮箱座、机床主轴、电机厂、饮料设备、混凝土机械、数控设备等各大领域。

SKF 23028 CCK/W33 + AHX 3028 *轴承详细参数

球面滚子轴承, 带退卸套的
主要数据尺寸基本负荷额定值疲劳负荷限值额定速度体积型号
动态静态参照速度限制速度轴承 +退卸套
d1DBCC0Pu
* - SKF Explorer 轴承
mmkNkNr/minkg-
1352105346568068260034007,3523028 CCK/W33 + AHX 3028 *

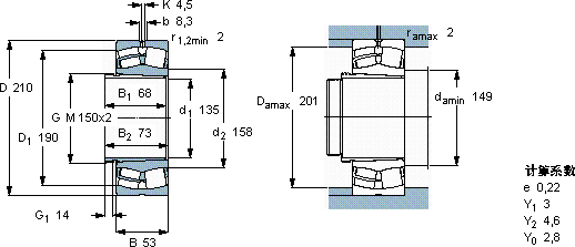
SKF 23028 CCK/W33 + AHX 3028 *轴承尺寸图纸

李工:138-8949-5179

刘工:135-0428-8802

地址:辽宁省大连经济技术开发区现代城3栋-13-13号

在线客服系统