李工:138-8949-5179 刘工:135-0428-8802
型号查询
轴承型号   常见搜索: 6004轴承 6900轴承 6024轴承 6012轴承 6009轴承 6017轴承
型号查询 X

轴承专区

Bearings Center

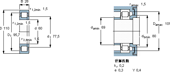
NUP 2212 ECJ *轴承-SKF NUP 2212 ECJ *轴承尺寸、图纸、价格

SKF NUP 2212 ECJ *轴承

产品名称:NUP 2212 ECJ *轴承 品牌:SKF
类型:SKF轴承 > 滚动轴承 > 圆柱滚子轴承
描述:NUP 2212 ECJ *轴承是【SKF轴承 > 滚动轴承 > 圆柱滚子轴承】的型号,主要用在变速器、各类变速器、纺织机械传动轴、铁路车辆、破碎机、机床等的变速装置、立式电动机、破碎、工程船舶、机械手等各大领域

 电话/微信:138-8949-5179

SKF NUP 2212 ECJ *轴承详细信息

NUP 2212 ECJ *轴承是【SKF轴承 > 滚动轴承 > 圆柱滚子轴承】的型号,主要用在变速器、各类变速器、纺织机械传动轴、铁路车辆、破碎机、机床等的变速装置、立式电动机、破碎、工程船舶、机械手等各大领域。

SKF NUP 2212 ECJ *轴承详细参数

圆柱滚子轴承, 单列, NUP 设计
主要数据尺寸基本负荷额定值疲劳负荷限值额定速度体积型号适宜的斜挡圈
动态静态参照速度限制速度型号
dDBCC0Pu * - SKF Explorer 轴承
mmkNkNr/minkg--
601102814615320670075001,15NUP 2212 ECJ *-

SKF NUP 2212 ECJ *轴承尺寸图纸

李工:138-8949-5179

刘工:135-0428-8802

地址:辽宁省大连经济技术开发区现代城3栋-13-13号

在线客服系统