李工:138-8949-5179 刘工:135-0428-8802
型号查询
轴承型号   常见搜索: 617轴承 688a轴承 6018轴承 6205轴承 6015轴承 2026轴承
型号查询 X

轴承专区

Bearings Center

N 324 ECM *轴承-SKF N 324 ECM *轴承尺寸、图纸、价格

SKF N 324 ECM *轴承

产品名称:N 324 ECM *轴承 品牌:SKF
类型:SKF轴承 > 滚动轴承 > 圆柱滚子轴承
描述:N 324 ECM *轴承是【SKF轴承 > 滚动轴承 > 圆柱滚子轴承】的型号,主要用在后轮、机床主轴、压缩机、汽车、振动筛、汽车转向销、水力发电机、化纤机械、土方机械、港口起重机等各大领域

 电话/微信:138-8949-5179

SKF N 324 ECM *轴承详细信息

N 324 ECM *轴承是【SKF轴承 > 滚动轴承 > 圆柱滚子轴承】的型号,主要用在后轮、机床主轴、压缩机、汽车、振动筛、汽车转向销、水力发电机、化纤机械、土方机械、港口起重机等各大领域。

SKF N 324 ECM *轴承详细参数

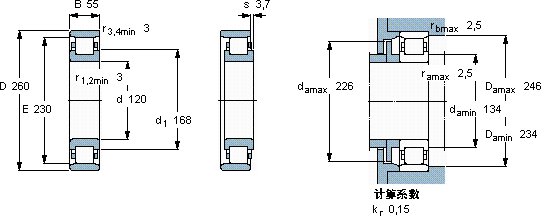
圆柱滚子轴承, 单列, N 设计
主要数据尺寸基本负荷额定值疲劳负荷限值额定速度体积型号适宜的斜挡圈
动态静态参照速度限制速度型号
dDBCC0Pu * - SKF Explorer 轴承
mmkNkNr/minkg--
1202605561062069,52800320015,0N 324 ECM *-

SKF N 324 ECM *轴承尺寸图纸

李工:138-8949-5179

刘工:135-0428-8802

地址:辽宁省大连经济技术开发区现代城3栋-13-13号

在线客服系统