李工:138-8949-5179 刘工:135-0428-8802
型号查询
轴承型号   常见搜索: 23136轴承 22222轴承 *轴承 6004轴承 6008轴承 6900轴承
型号查询 X

轴承专区

Bearings Center

22315 EK + H 2315 *轴承-SKF 22315 EK + H 2315 *轴承尺寸、图纸、价格

SKF 22315 EK + H 2315 *轴承

产品名称:22315 EK + H 2315 *轴承 品牌:SKF
类型:SKF轴承 > 滚动轴承 > 球面滚子轴承
描述:22315 EK + H 2315 *轴承是【SKF轴承 > 滚动轴承 > 球面滚子轴承】的型号,主要用在家用电器、燃料喷射泵、泵、齿轮减速装置、振动筛、石油钻机、塔吊、玩具、解体机、冶金起重机等各大领域

 电话/微信:138-8949-5179

SKF 22315 EK + H 2315 *轴承详细信息

22315 EK + H 2315 *轴承是【SKF轴承 > 滚动轴承 > 球面滚子轴承】的型号,主要用在家用电器、燃料喷射泵、泵、齿轮减速装置、振动筛、石油钻机、塔吊、玩具、解体机、冶金起重机等各大领域。

SKF 22315 EK + H 2315 *轴承详细参数

球面滚子轴承, 带紧定套的
主要数据尺寸基本负荷额定值疲劳负荷限值额定速度体积型号
动态静态参照速度限制速度轴承 + 紧定套
d1DBCC0Pu
* - SKF Explorer 轴承
mmkNkNr/minkg-
651605544047548320043006,5022315 EK + H 2315 *

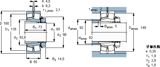
SKF 22315 EK + H 2315 *轴承尺寸图纸

李工:138-8949-5179

刘工:135-0428-8802

地址:辽宁省大连经济技术开发区现代城3栋-13-13号

在线客服系统