轴承专区
Bearings Center
32311 BRJ2/QCL7C *轴承-SKF 32311 BRJ2/QCL7C *轴承尺寸、图纸、价格
SKF 32311 BRJ2/QCL7C *轴承
| 产品名称: | 32311 BRJ2/QCL7C *轴承 | 品牌: | SKF |
|---|---|---|---|
| 类型: | SKF轴承 > 滚动轴承 > 圆锥滚子轴承 | ||
| 描述: | 32311 BRJ2/QCL7C *轴承是【SKF轴承 > 滚动轴承 > 圆锥滚子轴承】的型号,主要用在变速器、离心分离机、中型及大型电动机、变速器、各类产业用减速机、制铁制钢机械、立式电动机、医药设备、堆取料机、机械手等各大领域 | ||
电话/微信:138-8949-5179
SKF 32311 BRJ2/QCL7C *轴承详细信息
32311 BRJ2/QCL7C *轴承是【SKF轴承 > 滚动轴承 > 圆锥滚子轴承】的型号,主要用在变速器、离心分离机、中型及大型电动机、变速器、各类产业用减速机、制铁制钢机械、立式电动机、医药设备、堆取料机、机械手等各大领域。
SKF 32311 BRJ2/QCL7C *轴承详细参数
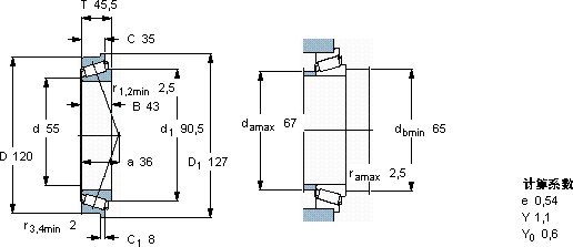
| 圆锥滚子轴承, 单列, 公制轴承, 外圈有挡边 | ||||||||||
| 主要数据尺寸 | 基本负荷额定值 | 疲劳负荷限值 | 额定速度 | 体积 | 型号 | |||||
| 动态 | 静态 | 参照速度 | 限制速度 | |||||||
| d | D | T | C | C0 | Pu | * - SKF Explorer 轴承 | ||||
| mm | kN | kN | r/min | kg | - | |||||
| 55 | 120 | 45,5 | 216 | 260 | 30 | 4300 | 5600 | 2,50 | 32311 BRJ2/QCL7C * | |
SKF 32311 BRJ2/QCL7C *轴承尺寸图纸

