轴承专区
Bearings Center
NKIB 5910轴承-SKF NKIB 5910轴承尺寸、图纸、价格
SKF NKIB 5910轴承
| 产品名称: | NKIB 5910轴承 | 品牌: | SKF |
|---|---|---|---|
| 类型: | SKF轴承 > 滚动轴承 > 组合滚针轴承 | ||
| 描述: | NKIB 5910轴承是【SKF轴承 > 滚动轴承 > 组合滚针轴承】的型号,主要用在仪表、印刷机械、提升机、轧钢机辊颈、破碎机、制铁制钢机械、碾煤机、陶瓷机械、堆取料机、钢包回转台等各大领域 | ||
电话/微信:138-8949-5179
SKF NKIB 5910轴承详细信息
NKIB 5910轴承是【SKF轴承 > 滚动轴承 > 组合滚针轴承】的型号,主要用在仪表、印刷机械、提升机、轧钢机辊颈、破碎机、制铁制钢机械、碾煤机、陶瓷机械、堆取料机、钢包回转台等各大领域。
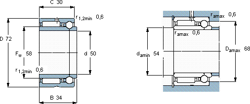
SKF NKIB 5910轴承详细参数
| 组合式滚针轴承, 滚针/角接触球轴承, 轴向负荷 双向 | |||||||||||||
| 主要数据尺寸 | 基本负荷额定值 | 疲劳负荷限值 | 额定速度 | 体积 | 型号 | ||||||||
| 径向 | 轴向 | 参照速度 | 限制速度 | ||||||||||
| 动态 | 静态 | 动态 | 静态 | 径向 | 轴向 | ||||||||
| d | D | B | C | C0 | C | C0 | Pu | Pu | |||||
| mm | kN | kN | r/min | kg | - | ||||||||
| 50 | 72 | 34 | 47,3 | 85 | 7,74 | 13,7 | 10,6 | 0,579 | 7000 | 8000 | 0,39 | NKIB 5910 | |
SKF NKIB 5910轴承尺寸图纸

