李工:138-8949-5179 刘工:135-0428-8802
型号查询
轴承型号   常见搜索: 6024轴承 6003轴承 23136轴承 6006轴承 6028轴承 6009轴承
型号查询 X

轴承专区

Bearings Center

2315 KM + H 2315轴承-SKF 2315 KM + H 2315轴承尺寸、图纸、价格

SKF 2315 KM + H 2315轴承

产品名称:2315 KM + H 2315轴承 品牌:SKF
类型:SKF轴承 > 滚动轴承 > 自调心球轴承
描述:2315 KM + H 2315轴承是【SKF轴承 > 滚动轴承 > 自调心球轴承】的型号,主要用在变速器、罗茨鼓风机、挖土机履带轮、建筑机械、减速装置、制铁制钢机械、立式电动机、电子、起重机械、正面吊等各大领域

 电话/微信:138-8949-5179

SKF 2315 KM + H 2315轴承详细信息

2315 KM + H 2315轴承是【SKF轴承 > 滚动轴承 > 自调心球轴承】的型号,主要用在变速器、罗茨鼓风机、挖土机履带轮、建筑机械、减速装置、制铁制钢机械、立式电动机、电子、起重机械、正面吊等各大领域。

SKF 2315 KM + H 2315轴承详细参数

自调心球轴承, 带紧定套, 无密封件
主要数据尺寸基本负荷额定值疲劳负荷限值额定速度体积型号
动态静态参照速度限制速度轴承 + 紧定套
d1DBCC0Pu
mmkNkNr/minkg-
6516055124432,04750056006,152315 KM + H 2315

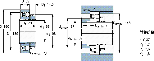
SKF 2315 KM + H 2315轴承尺寸图纸

李工:138-8949-5179

刘工:135-0428-8802

地址:辽宁省大连经济技术开发区现代城3栋-13-13号

在线客服系统