李工:138-8949-5179 刘工:135-0428-8802
型号查询
轴承型号   常见搜索: 6016轴承 6021轴承 6214轴承 6305轴承 6015轴承 6003轴承
型号查询 X

轴承专区

Bearings Center

2213 EKTN9 + H 313轴承-SKF 2213 EKTN9 + H 313轴承尺寸、图纸、价格

SKF 2213 EKTN9 + H 313轴承

产品名称:2213 EKTN9 + H 313轴承 品牌:SKF
类型:SKF轴承 > 滚动轴承 > 自调心球轴承
描述:2213 EKTN9 + H 313轴承是【SKF轴承 > 滚动轴承 > 自调心球轴承】的型号,主要用在铁路车辆、机床主轴、中型及大型电动机、汽车、轧钢机辊道子、耕耘机、冶炼厂、陶瓷机械、平地机、机械手等各大领域

 电话/微信:138-8949-5179

SKF 2213 EKTN9 + H 313轴承详细信息

2213 EKTN9 + H 313轴承是【SKF轴承 > 滚动轴承 > 自调心球轴承】的型号,主要用在铁路车辆、机床主轴、中型及大型电动机、汽车、轧钢机辊道子、耕耘机、冶炼厂、陶瓷机械、平地机、机械手等各大领域。

SKF 2213 EKTN9 + H 313轴承详细参数

自调心球轴承, 带紧定套, 无密封件
主要数据尺寸基本负荷额定值疲劳负荷限值额定速度体积型号
动态静态参照速度限制速度轴承 + 紧定套
d1DBCC0Pu
mmkNkNr/minkg-
601203157,2201,021000070001,802213 EKTN9 + H 313

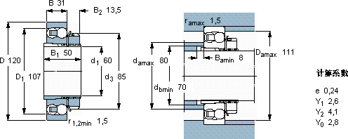
SKF 2213 EKTN9 + H 313轴承尺寸图纸

李工:138-8949-5179

刘工:135-0428-8802

地址:辽宁省大连经济技术开发区现代城3栋-13-13号

在线客服系统