轴承专区
Bearings Center
NKIB 59/22轴承-SKF NKIB 59/22轴承尺寸、图纸、价格
SKF NKIB 59/22轴承
| 产品名称: | NKIB 59/22轴承 | 品牌: | SKF |
|---|---|---|---|
| 类型: | SKF轴承 > 滚动轴承 > 组合滚针轴承 | ||
| 描述: | NKIB 59/22轴承是【SKF轴承 > 滚动轴承 > 组合滚针轴承】的型号,主要用在建筑机械、印刷机械、桥式起重机、轧钢机辊颈、轧钢机齿轮箱座、石油钻机转环、成形机、玩具、凿岩机械、焊接机器人等各大领域 | ||
电话/微信:138-8949-5179
SKF NKIB 59/22轴承详细信息
NKIB 59/22轴承是【SKF轴承 > 滚动轴承 > 组合滚针轴承】的型号,主要用在建筑机械、印刷机械、桥式起重机、轧钢机辊颈、轧钢机齿轮箱座、石油钻机转环、成形机、玩具、凿岩机械、焊接机器人等各大领域。
SKF NKIB 59/22轴承详细参数
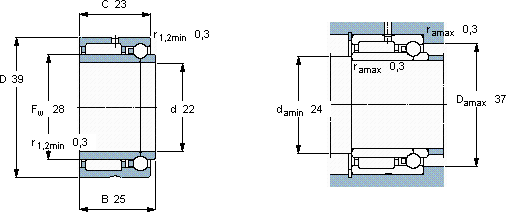
| 组合式滚针轴承, 滚针/角接触球轴承, 轴向负荷 双向 | |||||||||||||
| 主要数据尺寸 | 基本负荷额定值 | 疲劳负荷限值 | 额定速度 | 体积 | 型号 | ||||||||
| 径向 | 轴向 | 参照速度 | 限制速度 | ||||||||||
| 动态 | 静态 | 动态 | 静态 | 径向 | 轴向 | ||||||||
| d | D | B | C | C0 | C | C0 | Pu | Pu | |||||
| mm | kN | kN | r/min | kg | - | ||||||||
| 22 | 39 | 25 | 23,3 | 32 | 4,14 | 4,93 | 3,9 | 0,205 | 14000 | 15000 | 0,12 | NKIB 59/22 | |
SKF NKIB 59/22轴承尺寸图纸

