李工:138-8949-5179 刘工:135-0428-8802
型号查询
轴承型号   常见搜索: 6012轴承 688a轴承 6304轴承 *轴承 6011轴承 71913轴承
型号查询 X

轴承专区

Bearings Center

FYT 2.3/16 TF/VA228轴承-SKF FYT 2.3/16 TF/VA228轴承尺寸、图纸、价格

SKF FYT 2.3/16 TF/VA228轴承

产品名称:FYT 2.3/16 TF/VA228轴承 品牌:SKF
类型:SKF轴承 > 滚动轴承 > 工程产品
描述:FYT 2.3/16 TF/VA228轴承是【SKF轴承 > 滚动轴承 > 工程产品】的型号,主要用在通用电动机、印刷机械、纺织机械传动轴、轧钢机辊颈、各类产业用减速机、石油钻机转环、轧钢机轧制螺杆用减速机、烟草机械、轻工机械、刮泥机等各大领域

 电话/微信:138-8949-5179

SKF FYT 2.3/16 TF/VA228轴承详细信息

FYT 2.3/16 TF/VA228轴承是【SKF轴承 > 滚动轴承 > 工程产品】的型号,主要用在通用电动机、印刷机械、纺织机械传动轴、轧钢机辊颈、各类产业用减速机、石油钻机转环、轧钢机轧制螺杆用减速机、烟草机械、轻工机械、刮泥机等各大领域。

SKF FYT 2.3/16 TF/VA228轴承详细参数

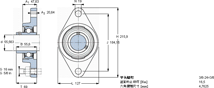
用于高温的Y-轴承单元,带法兰单元,椭圆轴承座, 英制轴承
尺寸基本负荷额定值质量型号
静态轴承单元轴承座轴承
dA1JHTC0
mmkNkg-
55,56347,63184,1512769292,81FYT 2.3/16 TF/VA228FYT 511 U/VA228YAR 211-203-2FW/VA228

SKF FYT 2.3/16 TF/VA228轴承尺寸图纸

李工:138-8949-5179

刘工:135-0428-8802

地址:辽宁省大连经济技术开发区现代城3栋-13-13号

在线客服系统