李工:138-8949-5179 刘工:135-0428-8802
型号查询
轴承型号   常见搜索: 6007轴承 688a轴承 6006轴承 6016轴承 6019轴承 6032轴承
型号查询 X

轴承专区

Bearings Center

7311 BEGAM *轴承-SKF 7311 BEGAM *轴承尺寸、图纸、价格

SKF 7311 BEGAM *轴承

产品名称:7311 BEGAM *轴承 品牌:SKF
类型:SKF轴承 > 滚动轴承 > 角接触球轴承
描述:7311 BEGAM *轴承是【SKF轴承 > 滚动轴承 > 角接触球轴承】的型号,主要用在后轮、空气压缩机、发电机、大型农业机械、振动筛、耕耘机、水力发电机、啤酒、地基处理机械、焊接机器人等各大领域

 电话/微信:138-8949-5179

SKF 7311 BEGAM *轴承详细信息

7311 BEGAM *轴承是【SKF轴承 > 滚动轴承 > 角接触球轴承】的型号,主要用在后轮、空气压缩机、发电机、大型农业机械、振动筛、耕耘机、水力发电机、啤酒、地基处理机械、焊接机器人等各大领域。

SKF 7311 BEGAM *轴承详细参数

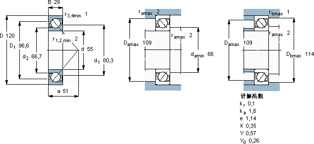
角接触球轴承, 单列
主要数据尺寸尺寸 [英寸]疲劳负荷限值额定速度体积型号
动态静态参照速度限制速度
dDBCC0Pu * - SKF Explorer 轴承
mmkNkNr/minkg-
551202985602,55700070001,497311 BEGAM *

SKF 7311 BEGAM *轴承尺寸图纸

李工:138-8949-5179

刘工:135-0428-8802

地址:辽宁省大连经济技术开发区现代城3栋-13-13号

在线客服系统