李工:138-8949-5179 刘工:135-0428-8802
型号查询
轴承型号   常见搜索: 6305轴承 6906轴承 6009轴承 71913轴承 3214轴承 6015轴承
型号查询 X

轴承专区

Bearings Center

708/500 AMB轴承-SKF 708/500 AMB轴承尺寸、图纸、价格

SKF 708/500 AMB轴承

产品名称:708/500 AMB轴承 品牌:SKF
类型:SKF轴承 > 滚动轴承 > 角接触球轴承
描述:708/500 AMB轴承是【SKF轴承 > 滚动轴承 > 角接触球轴承】的型号,主要用在通用电动机、各类变速器、发电机、铁路车辆、减速装置、机床主轴、轧钢机轧制螺杆用减速机、医药设备、挖掘机、太阳能发电设备等各大领域

 电话/微信:138-8949-5179

SKF 708/500 AMB轴承详细信息

708/500 AMB轴承是【SKF轴承 > 滚动轴承 > 角接触球轴承】的型号,主要用在通用电动机、各类变速器、发电机、铁路车辆、减速装置、机床主轴、轧钢机轧制螺杆用减速机、医药设备、挖掘机、太阳能发电设备等各大领域。

SKF 708/500 AMB轴承详细参数

角接触球轴承, 单列
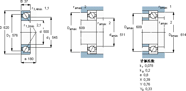
主要数据尺寸尺寸 [英寸]疲劳负荷限值额定速度体积型号
动态静态参照速度限制速度
dDBCC0Pu
mmkNkNr/minkg-
50062037276620111000100027,0708/500 AMB

SKF 708/500 AMB轴承尺寸图纸

李工:138-8949-5179

刘工:135-0428-8802

地址:辽宁省大连经济技术开发区现代城3栋-13-13号

在线客服系统