轴承专区
Bearings Center
NJ 412轴承-SKF NJ 412轴承尺寸、图纸、价格
SKF NJ 412轴承
| 产品名称: | NJ 412轴承 | 品牌: | SKF |
|---|---|---|---|
| 类型: | SKF轴承 > 滚动轴承 > 圆柱滚子轴承 | ||
| 描述: | NJ 412轴承是【SKF轴承 > 滚动轴承 > 圆柱滚子轴承】的型号,主要用在变速器、高频马达、发电机、前轮、轧钢机齿轮箱座、机床主轴、立式电动机、洗染、混凝土机械、正面吊等各大领域 | ||
电话/微信:138-8949-5179
SKF NJ 412轴承详细信息
NJ 412轴承是【SKF轴承 > 滚动轴承 > 圆柱滚子轴承】的型号,主要用在变速器、高频马达、发电机、前轮、轧钢机齿轮箱座、机床主轴、立式电动机、洗染、混凝土机械、正面吊等各大领域。
SKF NJ 412轴承详细参数
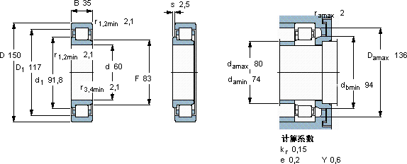
| 圆柱滚子轴承, 单列, NJ 设计 | ||||||||||||
| 主要数据尺寸 | 基本负荷额定值 | 疲劳负荷限值 | 额定速度 | 体积 | 型号 | 适宜的斜挡圈 | ||||||
| 动态 | 静态 | 参照速度 | 限制速度 | 型号 | ||||||||
| d | D | B | C | C0 | Pu | |||||||
| mm | kN | kN | r/min | kg | - | - | ||||||
| 60 | 150 | 35 | 168 | 173 | 22 | 5000 | 6000 | 3,10 | NJ 412 | - | ||
SKF NJ 412轴承尺寸图纸

