李工:138-8949-5179 刘工:135-0428-8802
型号查询
轴承型号   常见搜索: 6008轴承 6309轴承 6007轴承 6006轴承 6005轴承 6002轴承
型号查询 X

轴承专区

Bearings Center

24026 CCK30/W33 + AH 24026 *轴承-SKF 24026 CCK30/W33 + AH 24026 *轴承尺寸、图纸、价格

SKF 24026 CCK30/W33 + AH 24026 *轴承

产品名称:24026 CCK30/W33 + AH 24026 *轴承 品牌:SKF
类型:SKF轴承 > 滚动轴承 > 球面滚子轴承
描述:24026 CCK30/W33 + AH 24026 *轴承是【SKF轴承 > 滚动轴承 > 球面滚子轴承】的型号,主要用在建筑机械、印刷机械、中型及大型电动机、轧钢机辊颈、印刷机械、制铁制钢机械、成形机、音像设备、堆取料机、焊接机器人等各大领域

 电话/微信:138-8949-5179

SKF 24026 CCK30/W33 + AH 24026 *轴承详细信息

24026 CCK30/W33 + AH 24026 *轴承是【SKF轴承 > 滚动轴承 > 球面滚子轴承】的型号,主要用在建筑机械、印刷机械、中型及大型电动机、轧钢机辊颈、印刷机械、制铁制钢机械、成形机、音像设备、堆取料机、焊接机器人等各大领域。

SKF 24026 CCK30/W33 + AH 24026 *轴承详细参数

球面滚子轴承, 带退卸套的
主要数据尺寸基本负荷额定值疲劳负荷限值额定速度体积型号
动态静态参照速度限制速度轴承 +退卸套
d1DBCC0Pu
* - SKF Explorer 轴承
mmkNkNr/minkg-
1252006954081581,5200030008,6524026 CCK30/W33 + AH 24026 *

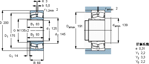
SKF 24026 CCK30/W33 + AH 24026 *轴承尺寸图纸

李工:138-8949-5179

刘工:135-0428-8802

地址:辽宁省大连经济技术开发区现代城3栋-13-13号

在线客服系统