李工:138-8949-5179 刘工:135-0428-8802
型号查询
轴承型号   常见搜索: 6020轴承 6002轴承 *轴承 6016轴承 6010轴承 6004轴承
型号查询 X

轴承专区

Bearings Center

WEERB 004-2ZR轴承-SKF WEERB 004-2ZR轴承尺寸、图纸、价格

SKF WEERB 004-2ZR轴承

产品名称:WEERB 004-2ZR轴承 品牌:SKF
类型:SKF轴承 > 滚动轴承 > 深沟球轴承
描述:WEERB 004-2ZR轴承是【SKF轴承 > 滚动轴承 > 深沟球轴承】的型号,主要用在铁路车辆、油泵、提升机、机床主轴、铁路车辆车轴、起重机吊钩、冶炼厂、洗染、专用车、机械手等各大领域

 电话/微信:138-8949-5179

SKF WEERB 004-2ZR轴承详细信息

WEERB 004-2ZR轴承是【SKF轴承 > 滚动轴承 > 深沟球轴承】的型号,主要用在铁路车辆、油泵、提升机、机床主轴、铁路车辆车轴、起重机吊钩、冶炼厂、洗染、专用车、机械手等各大领域。

SKF WEERB 004-2ZR轴承详细参数

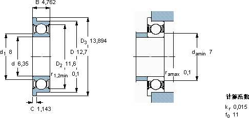
深沟球轴承, 单列,不锈钢,带法兰, 两面防尘罩
主要数据尺寸基本负荷额定值疲劳负荷限值额定速度体积型号
动态静态参照速度限制速度
dDD3BCCC0Pu
mmkNkNr/minkg-
6,3512,713,8944,7621,1430,7410,3350,015110000670000,0022WEERB 004-2ZR

SKF WEERB 004-2ZR轴承尺寸图纸

李工:138-8949-5179

刘工:135-0428-8802

地址:辽宁省大连经济技术开发区现代城3栋-13-13号

在线客服系统