轴承专区
Bearings Center
NJ 2207 ECJ *轴承-SKF NJ 2207 ECJ *轴承尺寸、图纸、价格
SKF NJ 2207 ECJ *轴承
| 产品名称: | NJ 2207 ECJ *轴承 | 品牌: | SKF |
|---|---|---|---|
| 类型: | SKF轴承 > 滚动轴承 > 圆柱滚子轴承 | ||
| 描述: | NJ 2207 ECJ *轴承是【SKF轴承 > 滚动轴承 > 圆柱滚子轴承】的型号,主要用在燃汽轮机、差速器小齿轮轴、汽车发动机、小齿轮轴、印刷机械、机床主轴、电机厂、化纤机械、挖掘机、数控设备等各大领域 | ||
电话/微信:138-8949-5179
SKF NJ 2207 ECJ *轴承详细信息
NJ 2207 ECJ *轴承是【SKF轴承 > 滚动轴承 > 圆柱滚子轴承】的型号,主要用在燃汽轮机、差速器小齿轮轴、汽车发动机、小齿轮轴、印刷机械、机床主轴、电机厂、化纤机械、挖掘机、数控设备等各大领域。
SKF NJ 2207 ECJ *轴承详细参数
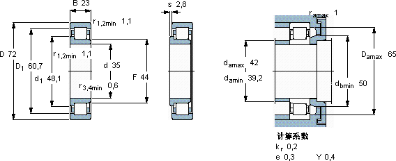
| 圆柱滚子轴承, 单列, NJ 设计 | ||||||||||||
| 主要数据尺寸 | 基本负荷额定值 | 疲劳负荷限值 | 额定速度 | 体积 | 型号 | 适宜的斜挡圈 | ||||||
| 动态 | 静态 | 参照速度 | 限制速度 | 型号 | ||||||||
| d | D | B | C | C0 | Pu | * - SKF Explorer 轴承 | ||||||
| mm | kN | kN | r/min | kg | - | - | ||||||
| 35 | 72 | 23 | 69,5 | 63 | 8,15 | 11000 | 12000 | 0,41 | NJ 2207 ECJ * | - | ||
SKF NJ 2207 ECJ *轴承尺寸图纸

