李工:138-8949-5179 刘工:135-0428-8802
型号查询
轴承型号   常见搜索: 617轴承 6021轴承 6214轴承 6017轴承 6022轴承 6205轴承
型号查询 X

轴承专区

Bearings Center

6316 *轴承-SKF 6316 *轴承尺寸、图纸、价格

SKF 6316 *轴承

产品名称:6316 *轴承 品牌:SKF
类型:SKF轴承 > 滚动轴承 > 深沟球轴承
描述:6316 *轴承是【SKF轴承 > 滚动轴承 > 深沟球轴承】的型号,主要用在变速器、差速器小齿轮轴、压缩机、小齿轮轴、各类产业用减速机、机床主轴、立式电动机、钟表、挖掘机、吹氧装置等各大领域

 电话/微信:138-8949-5179

SKF 6316 *轴承详细信息

6316 *轴承是【SKF轴承 > 滚动轴承 > 深沟球轴承】的型号,主要用在变速器、差速器小齿轮轴、压缩机、小齿轮轴、各类产业用减速机、机床主轴、立式电动机、钟表、挖掘机、吹氧装置等各大领域。

SKF 6316 *轴承详细参数

深沟球轴承, 单列, 无密封件
主要数据尺寸基本负荷额定值疲劳负荷限值额定速度体积型号
动态静态参照速度限制速度
dDBCC0Pu * - SKF Explorer 轴承
mmkNkNr/minkg-
801703913086,53,25850053003,606316 *

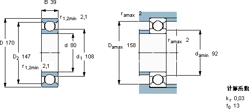
SKF 6316 *轴承尺寸图纸

李工:138-8949-5179

刘工:135-0428-8802

地址:辽宁省大连经济技术开发区现代城3栋-13-13号

在线客服系统