李工:138-8949-5179 刘工:135-0428-8802
型号查询
轴承型号   常见搜索: 617轴承 6305轴承 6001轴承 6309轴承 71913轴承 6019轴承
型号查询 X

轴承专区

Bearings Center

71976 ACGAMB轴承-SKF 71976 ACGAMB轴承尺寸、图纸、价格

SKF 71976 ACGAMB轴承

产品名称:71976 ACGAMB轴承 品牌:SKF
类型:SKF轴承 > 滚动轴承 > 角接触球轴承
描述:71976 ACGAMB轴承是【SKF轴承 > 滚动轴承 > 角接触球轴承】的型号,主要用在内燃机、空气压缩机、燃汽轮机、大型农业机械、振动筛、汽车转向销、挤压机、电子、掘进机、数控设备等各大领域

 电话/微信:138-8949-5179

SKF 71976 ACGAMB轴承详细信息

71976 ACGAMB轴承是【SKF轴承 > 滚动轴承 > 角接触球轴承】的型号,主要用在内燃机、空气压缩机、燃汽轮机、大型农业机械、振动筛、汽车转向销、挤压机、电子、掘进机、数控设备等各大领域。

SKF 71976 ACGAMB轴承详细参数

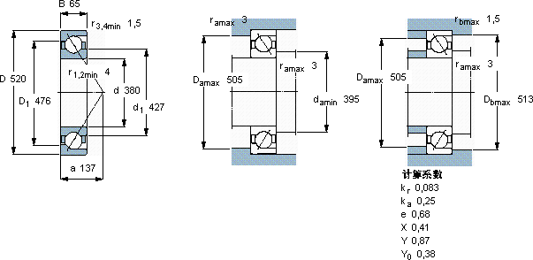
角接触球轴承, 单列
主要数据尺寸尺寸 [英寸]疲劳负荷限值额定速度体积型号
动态静态参照速度限制速度
dDBCC0Pu
mmkNkNr/minkg-
38052065410735151300130040,571976 ACGAMB

SKF 71976 ACGAMB轴承尺寸图纸

李工:138-8949-5179

刘工:135-0428-8802

地址:辽宁省大连经济技术开发区现代城3栋-13-13号

在线客服系统