李工:138-8949-5179 刘工:135-0428-8802
型号查询
轴承型号   常见搜索: 6305轴承 6004轴承 6011轴承 2026轴承 688a轴承 6030轴承
型号查询 X

轴承专区

Bearings Center

NUP 19/670 ECMA轴承-SKF NUP 19/670 ECMA轴承尺寸、图纸、价格

SKF NUP 19/670 ECMA轴承

产品名称:NUP 19/670 ECMA轴承 品牌:SKF
类型:SKF轴承 > 滚动轴承 > 圆柱滚子轴承
描述:NUP 19/670 ECMA轴承是【SKF轴承 > 滚动轴承 > 圆柱滚子轴承】的型号,主要用在装卸搬运机械、差速器小齿轮轴、提升机、小齿轮轴、印刷机械、机床主轴、矿山、啤酒、挖掘机、风力发电设备等各大领域

 电话/微信:138-8949-5179

SKF NUP 19/670 ECMA轴承详细信息

NUP 19/670 ECMA轴承是【SKF轴承 > 滚动轴承 > 圆柱滚子轴承】的型号,主要用在装卸搬运机械、差速器小齿轮轴、提升机、小齿轮轴、印刷机械、机床主轴、矿山、啤酒、挖掘机、风力发电设备等各大领域。

SKF NUP 19/670 ECMA轴承详细参数

圆柱滚子轴承, 单列, NUP 设计
主要数据尺寸基本负荷额定值疲劳负荷限值额定速度体积型号适宜的斜挡圈
动态静态参照速度限制速度型号
dDBCC0Pu
mmkNkNr/minkg--
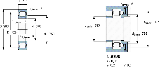
67090010323304750325630850195NUP 19/670 ECMA-

SKF NUP 19/670 ECMA轴承尺寸图纸

李工:138-8949-5179

刘工:135-0428-8802

地址:辽宁省大连经济技术开发区现代城3栋-13-13号

在线客服系统