李工:138-8949-5179 刘工:135-0428-8802
型号查询
轴承型号   常见搜索: 6003轴承 6014轴承 6020轴承 6214轴承 6010轴承 6007轴承
型号查询 X

轴承专区

Bearings Center

HMV 66E轴承-SKF HMV 66E轴承尺寸、图纸、价格

SKF HMV 66E轴承

产品名称:HMV 66E轴承 品牌:SKF
类型:SKF轴承 > 滚动轴承 > 轴承附件
描述:HMV 66E轴承是【SKF轴承 > 滚动轴承 > 轴承附件】的型号,主要用在铁路车辆、空气压缩机、发电机、大型农业机械、轧钢机辊道子、耕耘机、冶炼厂、玩具、地基处理机械、吹氧装置等各大领域

 电话/微信:138-8949-5179

SKF HMV 66E轴承详细信息

HMV 66E轴承是【SKF轴承 > 滚动轴承 > 轴承附件】的型号,主要用在铁路车辆、空气压缩机、发电机、大型农业机械、轧钢机辊道子、耕耘机、冶炼厂、玩具、地基处理机械、吹氧装置等各大领域。

SKF HMV 66E轴承详细参数

Hydraulic nuts, metric sizes
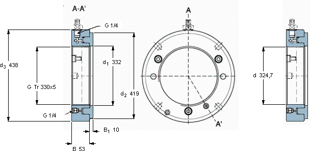
螺纹尺寸尺寸PermittedPiston area体积型号
piston
Gd1d2d3BB1displacement
mmmm (metric sizes)mmmmmm2 (metric sizes)kg-
in - threads/in (inch sizes)in2 (inch sizes)
330Tr 330x53324194385310142700030,0HMV 66EHMV 66E/A101

SKF HMV 66E轴承尺寸图纸

李工:138-8949-5179

刘工:135-0428-8802

地址:辽宁省大连经济技术开发区现代城3栋-13-13号

在线客服系统