李工:138-8949-5179 刘工:135-0428-8802
型号查询
轴承型号   常见搜索: 6009轴承 6028轴承 6013轴承 6018轴承 6005轴承 6011轴承
型号查询 X

轴承专区

Bearings Center

YET 208轴承-SKF YET 208轴承尺寸、图纸、价格

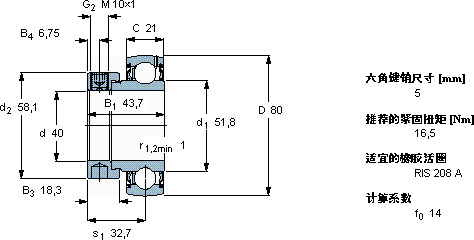
SKF YET 208轴承

产品名称:YET 208轴承 品牌:SKF
类型:SKF轴承 > 滚动轴承 > Y-轴承
描述:YET 208轴承是【SKF轴承 > 滚动轴承 > Y-轴承】的型号,主要用在铁路车辆、燃汽轮机、压缩机、后轮、轧钢机辊道子、起重机吊钩、冶炼厂、制鞋、强夯机、吹氧装置等各大领域

 电话/微信:138-8949-5179

SKF YET 208轴承详细信息

YET 208轴承是【SKF轴承 > 滚动轴承 > Y-轴承】的型号,主要用在铁路车辆、燃汽轮机、压缩机、后轮、轧钢机辊道子、起重机吊钩、冶炼厂、制鞋、强夯机、吹氧装置等各大领域。

SKF YET 208轴承详细参数

Y-轴承, 带偏心锁定环的, YET 2
主要数据尺寸基本负荷额定值疲劳负荷限值限制速度体积型号
动态静态
dDB1 (B)CCC0Pu用于轴公差h6
mmkNkNr/minkg-
408043,72130,7190,848000,59YET 208

SKF YET 208轴承尺寸图纸

李工:138-8949-5179

刘工:135-0428-8802

地址:辽宁省大连经济技术开发区现代城3栋-13-13号

在线客服系统