李工:138-8949-5179 刘工:135-0428-8802
型号查询
轴承型号   常见搜索: 6906轴承 6007轴承 6030轴承 6001轴承 7014轴承 6003轴承
型号查询 X

轴承专区

Bearings Center

608/630 MA轴承-SKF 608/630 MA轴承尺寸、图纸、价格

SKF 608/630 MA轴承

产品名称:608/630 MA轴承 品牌:SKF
类型:SKF轴承 > 滚动轴承 > 深沟球轴承
描述:608/630 MA轴承是【SKF轴承 > 滚动轴承 > 深沟球轴承】的型号,主要用在燃汽轮机、印刷机械、汽车发动机、轧钢机辊颈、破碎机、制铁制钢机械、电机厂、钟表、堆取料机、数控设备等各大领域

 电话/微信:138-8949-5179

SKF 608/630 MA轴承详细信息

608/630 MA轴承是【SKF轴承 > 滚动轴承 > 深沟球轴承】的型号,主要用在燃汽轮机、印刷机械、汽车发动机、轧钢机辊颈、破碎机、制铁制钢机械、电机厂、钟表、堆取料机、数控设备等各大领域。

SKF 608/630 MA轴承详细参数

深沟球轴承, 单列, 无密封件
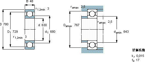
主要数据尺寸基本负荷额定值疲劳负荷限值额定速度体积型号
动态静态参照速度限制速度
dDBCC0Pu
mmkNkNr/minkg-
6307804836476512,21400110041,0608/630 MA

SKF 608/630 MA轴承尺寸图纸

李工:138-8949-5179

刘工:135-0428-8802

地址:辽宁省大连经济技术开发区现代城3栋-13-13号

在线客服系统