李工:138-8949-5179 刘工:135-0428-8802
型号查询
轴承型号   常见搜索: 2025轴承 6305轴承 6909轴承 6011轴承 617轴承 6001轴承
型号查询 X

轴承专区

Bearings Center

23936 CCK/W33 + H 3936轴承-SKF 23936 CCK/W33 + H 3936轴承尺寸、图纸、价格

SKF 23936 CCK/W33 + H 3936轴承

产品名称:23936 CCK/W33 + H 3936轴承 品牌:SKF
类型:SKF轴承 > 滚动轴承 > 球面滚子轴承
描述:23936 CCK/W33 + H 3936轴承是【SKF轴承 > 滚动轴承 > 球面滚子轴承】的型号,主要用在电气装置部件、小型汽车前轮、提升机、差速器、造纸机械、汽车转向销、船舶用螺旋桨轴、音像设备、掘进机、伽玛等各大领域

 电话/微信:138-8949-5179

SKF 23936 CCK/W33 + H 3936轴承详细信息

23936 CCK/W33 + H 3936轴承是【SKF轴承 > 滚动轴承 > 球面滚子轴承】的型号,主要用在电气装置部件、小型汽车前轮、提升机、差速器、造纸机械、汽车转向销、船舶用螺旋桨轴、音像设备、掘进机、伽玛等各大领域。

SKF 23936 CCK/W33 + H 3936轴承详细参数

球面滚子轴承, 带紧定套的
主要数据尺寸基本负荷额定值疲劳负荷限值额定速度体积型号
动态静态参照速度限制速度轴承 + 紧定套
d1DBCC0Pu
mmkNkNr/minkg-
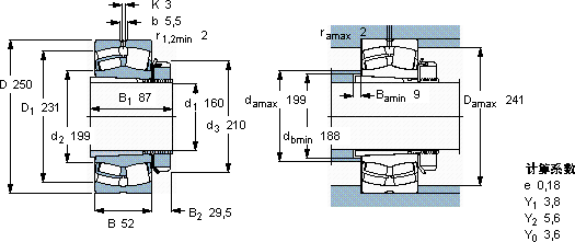
1602505243183076,52200280013,423936 CCK/W33 + H 3936

SKF 23936 CCK/W33 + H 3936轴承尺寸图纸

李工:138-8949-5179

刘工:135-0428-8802

地址:辽宁省大连经济技术开发区现代城3栋-13-13号

在线客服系统