李工:138-8949-5179 刘工:135-0428-8802
型号查询
轴承型号   常见搜索: 6024轴承 6021轴承 6002轴承 3214轴承 6030轴承 617轴承
型号查询 X

轴承专区

Bearings Center

FYT 55 TF/VA228轴承-SKF FYT 55 TF/VA228轴承尺寸、图纸、价格

SKF FYT 55 TF/VA228轴承

产品名称:FYT 55 TF/VA228轴承 品牌:SKF
类型:SKF轴承 > 滚动轴承 > 工程产品
描述:FYT 55 TF/VA228轴承是【SKF轴承 > 滚动轴承 > 工程产品】的型号,主要用在变速器、各类变速器、压缩机、铁路车辆、印刷机械、机床等的变速装置、立式电动机、洗染、工程船舶、机械手等各大领域

 电话/微信:138-8949-5179

SKF FYT 55 TF/VA228轴承详细信息

FYT 55 TF/VA228轴承是【SKF轴承 > 滚动轴承 > 工程产品】的型号,主要用在变速器、各类变速器、压缩机、铁路车辆、印刷机械、机床等的变速装置、立式电动机、洗染、工程船舶、机械手等各大领域。

SKF FYT 55 TF/VA228轴承详细参数

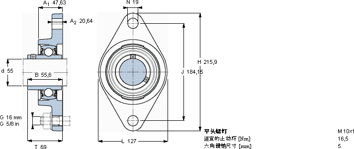
用于高温的Y-轴承单元,带法兰单元,椭圆轴承座, 公制轴承
尺寸基本负荷额定值质量型号
静态轴承单元轴承座轴承
dA1JHTC0
mmkNkg-
5547,63184,1512769293,3FYT 55 TF/VA228FYT 511 U/VA228YAR 211-2FW/VA228

SKF FYT 55 TF/VA228轴承尺寸图纸

李工:138-8949-5179

刘工:135-0428-8802

地址:辽宁省大连经济技术开发区现代城3栋-13-13号

在线客服系统