李工:138-8949-5179 刘工:135-0428-8802
型号查询
轴承型号   常见搜索: 3214轴承 71913轴承 617轴承 6011轴承 7014轴承 6004轴承
型号查询 X

轴承专区

Bearings Center

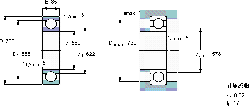
619/560 MA轴承-SKF 619/560 MA轴承尺寸、图纸、价格

SKF 619/560 MA轴承

产品名称:619/560 MA轴承 品牌:SKF
类型:SKF轴承 > 滚动轴承 > 深沟球轴承
描述:619/560 MA轴承是【SKF轴承 > 滚动轴承 > 深沟球轴承】的型号,主要用在建筑机械、差速器小齿轮轴、木工机械、小齿轮轴、各类产业用减速机、机床等的变速装置、成形机、陶瓷机械、工程船舶、焊接机器人等各大领域

 电话/微信:138-8949-5179

SKF 619/560 MA轴承详细信息

619/560 MA轴承是【SKF轴承 > 滚动轴承 > 深沟球轴承】的型号,主要用在建筑机械、差速器小齿轮轴、木工机械、小齿轮轴、各类产业用减速机、机床等的变速装置、成形机、陶瓷机械、工程船舶、焊接机器人等各大领域。

SKF 619/560 MA轴承详细参数

深沟球轴承, 单列, 无密封件
主要数据尺寸基本负荷额定值疲劳负荷限值额定速度体积型号
动态静态参照速度限制速度
dDBCC0Pu
mmkNkNr/minkg-
5607508549498016,315001200105619/560 MA

SKF 619/560 MA轴承尺寸图纸

李工:138-8949-5179

刘工:135-0428-8802

地址:辽宁省大连经济技术开发区现代城3栋-13-13号

在线客服系统