轴承专区
Bearings Center
FYRP 2.1/2 H轴承-SKF FYRP 2.1/2 H轴承尺寸、图纸、价格
SKF FYRP 2.1/2 H轴承
| 产品名称: | FYRP 2.1/2 H轴承 | 品牌: | SKF |
|---|---|---|---|
| 类型: | SKF轴承 > 轴承单元 > 法兰滚子轴承单元 | ||
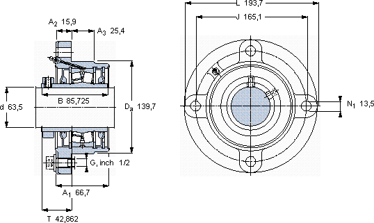
| 描述: | FYRP 2.1/2 H轴承是【SKF轴承 > 轴承单元 > 法兰滚子轴承单元】的型号,主要用在铁路车辆、燃汽轮机、挖土机履带轮、后轮、铁路车辆车轴、石油钻机、冶炼厂、玩具、解体机、吹氧装置等各大领域 | ||
电话/微信:138-8949-5179
SKF FYRP 2.1/2 H轴承详细信息
FYRP 2.1/2 H轴承是【SKF轴承 > 轴承单元 > 法兰滚子轴承单元】的型号,主要用在铁路车辆、燃汽轮机、挖土机履带轮、后轮、铁路车辆车轴、石油钻机、冶炼厂、玩具、解体机、吹氧装置等各大领域。
SKF FYRP 2.1/2 H轴承详细参数
| 带法兰的滚子轴承单元, 锁定套和插口,用于英制的轴, locating units, general conditions (double-lip seals) | |||||||||||
| 尺寸 | 尺寸 [英寸] | 限制速度 | 质量 | 型号 | 轴承,基本型号 | ||||||
| 动态 | 静态 | ||||||||||
| da | A1 | J | L | T | C | C0 | |||||
| mm | kN | r/min | kg | - | - | ||||||
| 63,5 | 66,7 | 165,1 | 193,7 | 42,862 | 148 | 183 | 1800 | 6,12 | FYRP 2.1/2 H | 22213 | |
SKF FYRP 2.1/2 H轴承尺寸图纸

