李工:138-8949-5179 刘工:135-0428-8802
型号查询
轴承型号   常见搜索: 3214轴承 6013轴承 *轴承 6004轴承 2026轴承 6002轴承
型号查询 X

轴承专区

Bearings Center

11204 ETN9轴承-SKF 11204 ETN9轴承尺寸、图纸、价格

SKF 11204 ETN9轴承

产品名称:11204 ETN9轴承 品牌:SKF
类型:SKF轴承 > 滚动轴承 > 自调心球轴承
描述:11204 ETN9轴承是【SKF轴承 > 滚动轴承 > 自调心球轴承】的型号,主要用在装卸搬运机械、离心分离机、压缩机、变速器、印刷机械、石油钻机转环、矿山、精细化工机械、凿岩机械、摩天轮等各大领域

 电话/微信:138-8949-5179

SKF 11204 ETN9轴承详细信息

11204 ETN9轴承是【SKF轴承 > 滚动轴承 > 自调心球轴承】的型号,主要用在装卸搬运机械、离心分离机、压缩机、变速器、印刷机械、石油钻机转环、矿山、精细化工机械、凿岩机械、摩天轮等各大领域。

SKF 11204 ETN9轴承详细参数

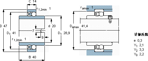
自调心球轴承, 圆柱孔和圆锥孔, 宽内圈
主要数据尺寸基本负荷额定值疲劳负荷限值额定速度体积型号
动态静态参照速度限制速度
dDBCC0Pu
mmkNkNr/minkg-
20474012,73,40,18-90000,1811204 ETN9

SKF 11204 ETN9轴承尺寸图纸

李工:138-8949-5179

刘工:135-0428-8802

地址:辽宁省大连经济技术开发区现代城3栋-13-13号

在线客服系统