轴承专区
Bearings Center
SIL 30 C轴承-SKF SIL 30 C轴承尺寸、图纸、价格
SKF SIL 30 C轴承
| 产品名称: | SIL 30 C轴承 | 品牌: | SKF |
|---|---|---|---|
| 类型: | SKF轴承 > 球面滑动轴承和杆端关节轴承 > 免维护的杆端关节轴承 | ||
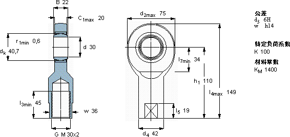
| 描述: | SIL 30 C轴承是【SKF轴承 > 球面滑动轴承和杆端关节轴承 > 免维护的杆端关节轴承】的型号,主要用在装卸搬运机械、各类变速器、木工机械、铁路车辆、各类产业用减速机、机床等的变速装置、矿山、玩具、压路机、摩天轮等各大领域 | ||
电话/微信:138-8949-5179
SKF SIL 30 C轴承详细信息
SIL 30 C轴承是【SKF轴承 > 球面滑动轴承和杆端关节轴承 > 免维护的杆端关节轴承】的型号,主要用在装卸搬运机械、各类变速器、木工机械、铁路车辆、各类产业用减速机、机床等的变速装置、矿山、玩具、压路机、摩天轮等各大领域。
SKF SIL 30 C轴承详细参数
| 免维护杆端, 阴螺纹, 钢/烧结铜复合材料 | |||||||||||
| 主要数据尺寸 | 角度倾的 | 基本负荷额定值 | 质量 | 型号 | |||||||
| 动态 | 静态 | 轴承座完全与密封件 | |||||||||
| d | d2 | B | d3 | C1 | h1 | ± | C | C0 | |||
| 6H | |||||||||||
| mm | 度数 | kN | kg | - | |||||||
| 30 | 75 | 22 | M 30x2 | 20 | 110 | 6 | 65,5 | 118 | 1,00 | SIL 30 C | |
SKF SIL 30 C轴承尺寸图纸

