李工:138-8949-5179 刘工:135-0428-8802
型号查询
轴承型号   常见搜索: 6021轴承 6205轴承 71913轴承 6026轴承 6007轴承 6002轴承
型号查询 X

轴承专区

Bearings Center

FYR 1.1/2 H-3轴承-SKF FYR 1.1/2 H-3轴承尺寸、图纸、价格

SKF FYR 1.1/2 H-3轴承

产品名称:FYR 1.1/2 H-3轴承 品牌:SKF
类型:SKF轴承 > 轴承单元 > 法兰滚子轴承单元
描述:FYR 1.1/2 H-3轴承是【SKF轴承 > 轴承单元 > 法兰滚子轴承单元】的型号,主要用在后轮、燃料喷射泵、燃汽轮机、齿轮减速装置、轧钢机辊道子、起重机吊钩、水力发电机、洗染、专用车、泥炮等各大领域

 电话/微信:138-8949-5179

SKF FYR 1.1/2 H-3轴承详细信息

FYR 1.1/2 H-3轴承是【SKF轴承 > 轴承单元 > 法兰滚子轴承单元】的型号,主要用在后轮、燃料喷射泵、燃汽轮机、齿轮减速装置、轧钢机辊道子、起重机吊钩、水力发电机、洗染、专用车、泥炮等各大领域。

SKF FYR 1.1/2 H-3轴承详细参数

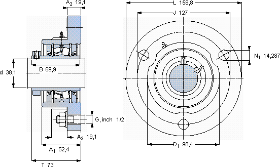
带法兰的滚子轴承单元, 锁定套,用于英制的轴, locating units, radial shaft seals
尺寸尺寸 [英寸]限制速度质量型号轴承,基本型号
动态静态
daA1JLTCC0
mmkNr/minkg--
38,152,4127158,87373,881,528003,81FYR 1.1/2 H-322208

SKF FYR 1.1/2 H-3轴承尺寸图纸

李工:138-8949-5179

刘工:135-0428-8802

地址:辽宁省大连经济技术开发区现代城3栋-13-13号

在线客服系统