李工:138-8949-5179 刘工:135-0428-8802
型号查询
轴承型号   常见搜索: 6305轴承 7014轴承 6020轴承 6214轴承 *轴承 6022轴承
型号查询 X

轴承专区

Bearings Center

NUP 2226 ECML *轴承-SKF NUP 2226 ECML *轴承尺寸、图纸、价格

SKF NUP 2226 ECML *轴承

产品名称:NUP 2226 ECML *轴承 品牌:SKF
类型:SKF轴承 > 滚动轴承 > 圆柱滚子轴承
描述:NUP 2226 ECML *轴承是【SKF轴承 > 滚动轴承 > 圆柱滚子轴承】的型号,主要用在通用电动机、各类变速器、减速装置、铁路车辆、减速装置、机床等的变速装置、轧钢机轧制螺杆用减速机、饮料设备、工程船舶、太阳能发电设备等各大领域

 电话/微信:138-8949-5179

SKF NUP 2226 ECML *轴承详细信息

NUP 2226 ECML *轴承是【SKF轴承 > 滚动轴承 > 圆柱滚子轴承】的型号,主要用在通用电动机、各类变速器、减速装置、铁路车辆、减速装置、机床等的变速装置、轧钢机轧制螺杆用减速机、饮料设备、工程船舶、太阳能发电设备等各大领域。

SKF NUP 2226 ECML *轴承详细参数

圆柱滚子轴承, 单列, NUP 设计
主要数据尺寸基本负荷额定值疲劳负荷限值额定速度体积型号适宜的斜挡圈
动态静态参照速度限制速度型号
dDBCC0Pu * - SKF Explorer 轴承
mmkNkNr/minkg--
13023064610735833200530012,2NUP 2226 ECML *-

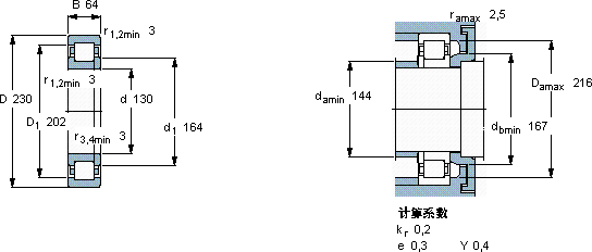
SKF NUP 2226 ECML *轴承尺寸图纸

李工:138-8949-5179

刘工:135-0428-8802

地址:辽宁省大连经济技术开发区现代城3栋-13-13号

在线客服系统