李工:138-8949-5179 刘工:135-0428-8802
型号查询
轴承型号   常见搜索: 688a轴承 6020轴承 6015轴承 6906轴承 6026轴承 6009轴承
型号查询 X

轴承专区

Bearings Center

SIA 45 TXE-2LS轴承-SKF SIA 45 TXE-2LS轴承尺寸、图纸、价格

SKF SIA 45 TXE-2LS轴承

产品名称:SIA 45 TXE-2LS轴承 品牌:SKF
类型:SKF轴承 > 球面滑动轴承和杆端关节轴承 > 免维护的杆端关节轴承
描述:SIA 45 TXE-2LS轴承是【SKF轴承 > 球面滑动轴承和杆端关节轴承 > 免维护的杆端关节轴承】的型号,主要用在通用电动机、差速器小齿轮轴、泵、小齿轮轴、印刷机械、机床等的变速装置、轧钢机轧制螺杆用减速机、啤酒、工程船舶、刮泥机等各大领域

 电话/微信:138-8949-5179

SKF SIA 45 TXE-2LS轴承详细信息

SIA 45 TXE-2LS轴承是【SKF轴承 > 球面滑动轴承和杆端关节轴承 > 免维护的杆端关节轴承】的型号,主要用在通用电动机、差速器小齿轮轴、泵、小齿轮轴、印刷机械、机床等的变速装置、轧钢机轧制螺杆用减速机、啤酒、工程船舶、刮泥机等各大领域。

SKF SIA 45 TXE-2LS轴承详细参数

免维护杆端, 阴螺纹, 钢/PTFE织物 , 两面密封件
主要数据尺寸角度倾的基本负荷额定值质量型号
动态静态轴承座完全与密封件
dd2Bd3C1h1±CC0
6H
mm度数kNkg-
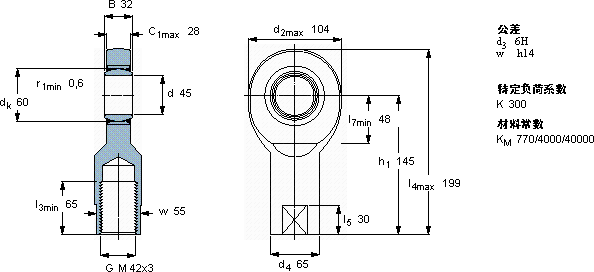
4510432M 42x32814573602243,20SIA 45 TXE-2LS

SKF SIA 45 TXE-2LS轴承尺寸图纸

李工:138-8949-5179

刘工:135-0428-8802

地址:辽宁省大连经济技术开发区现代城3栋-13-13号

在线客服系统