李工:138-8949-5179 刘工:135-0428-8802
型号查询
轴承型号   常见搜索: 6305轴承 6005轴承 6003轴承 6021轴承 2025轴承 71913轴承
型号查询 X

轴承专区

Bearings Center

FBSA 207/ QBC轴承-SKF FBSA 207/ QBC轴承尺寸、图纸、价格

SKF FBSA 207/ QBC轴承

产品名称:FBSA 207/ QBC轴承 品牌:SKF
类型:SKF轴承 > 超高精密轴承 > Angular contact thrust ball bearings for screw drives
描述:FBSA 207/ QBC轴承是【SKF轴承 > 超高精密轴承 > Angular contact thrust ball bearings for screw drives】的型号,主要用在内燃机、油泵、木工机械、机床主轴、铁路车辆车轴、起重机吊钩、挤压机、玩具、强夯机、抓钢机等各大领域

 电话/微信:138-8949-5179

SKF FBSA 207/ QBC轴承详细信息

FBSA 207/ QBC轴承是【SKF轴承 > 超高精密轴承 > Angular contact thrust ball bearings for screw drives】的型号,主要用在内燃机、油泵、木工机械、机床主轴、铁路车辆车轴、起重机吊钩、挤压机、玩具、强夯机、抓钢机等各大领域。

SKF FBSA 207/ QBC轴承详细参数

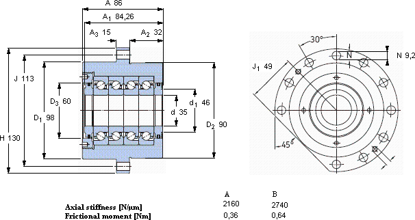
角接触推力球轴承 for screw drives, cartridge units with flanged housing
主要数据尺寸基本负荷额定值疲劳负荷限值可达到的速度体积型号
动态静态预压SKFSNFA
AB
dD2ACC0Pu
mmkNkNr/minkg-
35908659,4951967,3350017504,6FBSA 207/ QBCBSQU 235 TDT

SKF FBSA 207/ QBC轴承尺寸图纸

李工:138-8949-5179

刘工:135-0428-8802

地址:辽宁省大连经济技术开发区现代城3栋-13-13号

在线客服系统