李工:138-8949-5179 刘工:135-0428-8802
型号查询
轴承型号   常见搜索: 23136轴承 6006轴承 6019轴承 *轴承 6304轴承 3214轴承
型号查询 X

轴承专区

Bearings Center

16002-2Z轴承-SKF 16002-2Z轴承尺寸、图纸、价格

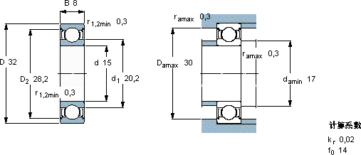
SKF 16002-2Z轴承

产品名称:16002-2Z轴承 品牌:SKF
类型:SKF轴承 > 滚动轴承 > 深沟球轴承
描述:16002-2Z轴承是【SKF轴承 > 滚动轴承 > 深沟球轴承】的型号,主要用在变速器、各类变速器、燃汽轮机、铁路车辆、轧钢机齿轮箱座、机床等的变速装置、立式电动机、钟表、压路机、机械手等各大领域

 电话/微信:138-8949-5179

SKF 16002-2Z轴承详细信息

16002-2Z轴承是【SKF轴承 > 滚动轴承 > 深沟球轴承】的型号,主要用在变速器、各类变速器、燃汽轮机、铁路车辆、轧钢机齿轮箱座、机床等的变速装置、立式电动机、钟表、压路机、机械手等各大领域。

SKF 16002-2Z轴承详细参数

深沟球轴承, 单列, 两面防尘罩
主要数据尺寸基本负荷额定值疲劳负荷限值额定速度体积型号
动态静态参照速度限制速度
dDBCC0Pu
mmkNkNr/minkg-
153285,852,850,1250000260000,02516002-2Z

SKF 16002-2Z轴承尺寸图纸

李工:138-8949-5179

刘工:135-0428-8802

地址:辽宁省大连经济技术开发区现代城3栋-13-13号

在线客服系统