轴承专区
Bearings Center
SYJ 40 KF轴承-SKF SYJ 40 KF轴承尺寸、图纸、价格
SKF SYJ 40 KF轴承
| 产品名称: | SYJ 40 KF轴承 | 品牌: | SKF |
|---|---|---|---|
| 类型: | SKF轴承 > 轴承单元 > Y-轴承座单元 | ||
| 描述: | SYJ 40 KF轴承是【SKF轴承 > 轴承单元 > Y-轴承座单元】的型号,主要用在变速器、离心分离机、汽车发动机、变速器、印刷机械、制铁制钢机械、立式电动机、烟草机械、起重机械、机械手等各大领域 | ||
电话/微信:138-8949-5179
SKF SYJ 40 KF轴承详细信息
SYJ 40 KF轴承是【SKF轴承 > 轴承单元 > Y-轴承座单元】的型号,主要用在变速器、离心分离机、汽车发动机、变速器、印刷机械、制铁制钢机械、立式电动机、烟草机械、起重机械、机械手等各大领域。
SKF SYJ 40 KF轴承详细参数
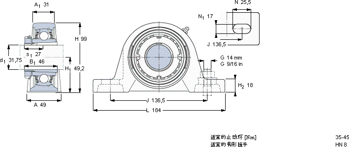
| Y-型立式轴承座单元, 铸造轴承座,紧定套 | |||||||||||||
| 尺寸 | 基本负荷额定值 | 限制速度 | 质量 | 型号 | |||||||||
| 动态 | 静态 | 轴承单元 | 轴承座 | 轴承 | 紧定套 | ||||||||
| 无紧定套 | |||||||||||||
| d1 | A | H | H1 | L | C | C0 | |||||||
| mm | kN | r/min | kg | - | |||||||||
| 31,75 | 49 | 99 | 49,2 | 184 | 30,7 | 19 | 4800 | 1,8 | SYJ 40 KF | SYJ 508 | YSA 208-2FK | HE 2308 | |
SKF SYJ 40 KF轴承尺寸图纸

