李工:138-8949-5179 刘工:135-0428-8802
型号查询
轴承型号   常见搜索: 6009轴承 6017轴承 6304轴承 6001轴承 6015轴承 617轴承
型号查询 X

轴承专区

Bearings Center

BSA 202 CG轴承-SKF BSA 202 CG轴承尺寸、图纸、价格

SKF BSA 202 CG轴承

产品名称:BSA 202 CG轴承 品牌:SKF
类型:SKF轴承 > 超高精密轴承 > Angular contact thrust ball bearings for screw drives
描述:BSA 202 CG轴承是【SKF轴承 > 超高精密轴承 > Angular contact thrust ball bearings for screw drives】的型号,主要用在变速器、高频马达、中型及大型电动机、前轮、轧钢机齿轮箱座、机床等的变速装置、立式电动机、精细化工机械、工程船舶、正面吊等各大领域

 电话/微信:138-8949-5179

SKF BSA 202 CG轴承详细信息

BSA 202 CG轴承是【SKF轴承 > 超高精密轴承 > Angular contact thrust ball bearings for screw drives】的型号,主要用在变速器、高频马达、中型及大型电动机、前轮、轧钢机齿轮箱座、机床等的变速装置、立式电动机、精细化工机械、工程船舶、正面吊等各大领域。

SKF BSA 202 CG轴承详细参数

角接触推力球轴承 for screw drives, single direction
主要数据尺寸基本负荷额定值疲劳负荷限值可达到的速度体积型号
动态静态当润滑与SKFSNFA
油脂滴油润滑
dDHCC0Pu
mmkNkNr/minkg-
15351112,725,50,9512000150000,054BSA 202 CGBS 215 7P62U

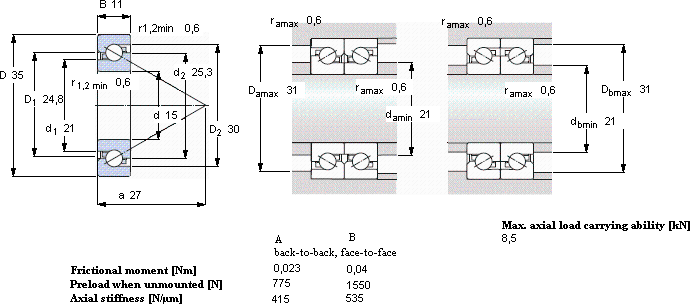
SKF BSA 202 CG轴承尺寸图纸

李工:138-8949-5179

刘工:135-0428-8802

地址:辽宁省大连经济技术开发区现代城3栋-13-13号

在线客服系统