李工:138-8949-5179 刘工:135-0428-8802
型号查询
轴承型号   常见搜索: *轴承 6305轴承 6018轴承 3214轴承 6909轴承 688a轴承
型号查询 X

轴承专区

Bearings Center

6007-2Z *轴承-SKF 6007-2Z *轴承尺寸、图纸、价格

SKF 6007-2Z *轴承

产品名称:6007-2Z *轴承 品牌:SKF
类型:SKF轴承 > 滚动轴承 > 深沟球轴承
描述:6007-2Z *轴承是【SKF轴承 > 滚动轴承 > 深沟球轴承】的型号,主要用在后轮、燃汽轮机、减速装置、后轮、铁路车辆车轴、起重机吊钩、水力发电机、制鞋、强夯机、焊接机器人等各大领域

 电话/微信:138-8949-5179

SKF 6007-2Z *轴承详细信息

6007-2Z *轴承是【SKF轴承 > 滚动轴承 > 深沟球轴承】的型号,主要用在后轮、燃汽轮机、减速装置、后轮、铁路车辆车轴、起重机吊钩、水力发电机、制鞋、强夯机、焊接机器人等各大领域。

SKF 6007-2Z *轴承详细参数

深沟球轴承, 单列, 两面防尘罩
主要数据尺寸基本负荷额定值疲劳负荷限值额定速度体积型号
动态静态参照速度限制速度
dDBCC0Pu * - SKF Explorer 轴承
mmkNkNr/minkg-
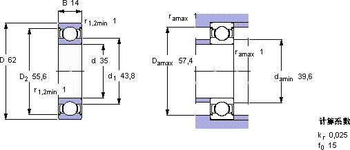
35621416,810,20,4424000120000,166007-2Z *

SKF 6007-2Z *轴承尺寸图纸

李工:138-8949-5179

刘工:135-0428-8802

地址:辽宁省大连经济技术开发区现代城3栋-13-13号

在线客服系统