李工:138-8949-5179 刘工:135-0428-8802
型号查询
轴承型号   常见搜索: 6305轴承 6909轴承 6024轴承 6013轴承 23136轴承 6008轴承
型号查询 X

轴承专区

Bearings Center

7419 M轴承-SKF 7419 M轴承尺寸、图纸、价格

SKF 7419 M轴承

产品名称:7419 M轴承 品牌:SKF
类型:SKF轴承 > 滚动轴承 > 角接触球轴承
描述:7419 M轴承是【SKF轴承 > 滚动轴承 > 角接触球轴承】的型号,主要用在燃汽轮机、印刷机械、发电机、轧钢机辊颈、减速装置、石油钻机转环、电机厂、薄膜拉伸、轻工机械、数控设备等各大领域

 电话/微信:138-8949-5179

SKF 7419 M轴承详细信息

7419 M轴承是【SKF轴承 > 滚动轴承 > 角接触球轴承】的型号,主要用在燃汽轮机、印刷机械、发电机、轧钢机辊颈、减速装置、石油钻机转环、电机厂、薄膜拉伸、轻工机械、数控设备等各大领域。

SKF 7419 M轴承详细参数

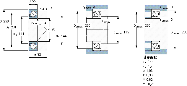
角接触球轴承, 单列
主要数据尺寸尺寸 [英寸]疲劳负荷限值额定速度体积型号
动态静态参照速度限制速度
dDBCC0Pu
mmkNkNr/minkg-
95250552512457,83400340013,57419 M

SKF 7419 M轴承尺寸图纸

李工:138-8949-5179

刘工:135-0428-8802

地址:辽宁省大连经济技术开发区现代城3栋-13-13号

在线客服系统