李工:138-8949-5179 刘工:135-0428-8802
型号查询
轴承型号   常见搜索: 6205轴承 2025轴承 71913轴承 6014轴承 6026轴承 6015轴承
型号查询 X

轴承专区

Bearings Center

BFDB 353204轴承-SKF BFDB 353204轴承尺寸、图纸、价格

SKF BFDB 353204轴承

产品名称:BFDB 353204轴承 品牌:SKF
类型:SKF轴承 > 滚动轴承 > 圆锥滚子推力轴承
描述:BFDB 353204轴承是【SKF轴承 > 滚动轴承 > 圆锥滚子推力轴承】的型号,主要用在仪表、各类变速器、压缩机、铁路车辆、印刷机械、机床主轴、碾煤机、烟草机械、挖掘机、坦克等各大领域

 电话/微信:138-8949-5179

SKF BFDB 353204轴承详细信息

BFDB 353204轴承是【SKF轴承 > 滚动轴承 > 圆锥滚子推力轴承】的型号,主要用在仪表、各类变速器、压缩机、铁路车辆、印刷机械、机床主轴、碾煤机、烟草机械、挖掘机、坦克等各大领域。

SKF BFDB 353204轴承详细参数

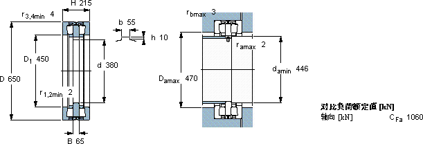
圆锥滚子推力轴承, 双向
主要数据尺寸基本负荷额定值疲劳负荷限值最小负荷系数型号
动态静态
dDHCC0Pu
mmkNkNkg-
3806502153360166001060275BFDB 353204

SKF BFDB 353204轴承尺寸图纸

李工:138-8949-5179

刘工:135-0428-8802

地址:辽宁省大连经济技术开发区现代城3栋-13-13号

在线客服系统