轴承专区
Bearings Center
W 16轴承-SKF W 16轴承尺寸、图纸、价格
SKF W 16轴承
| 产品名称: | W 16轴承 | 品牌: | SKF |
|---|---|---|---|
| 类型: | SKF轴承 > 滚动轴承 > 轴承附件 | ||
| 描述: | W 16轴承是【SKF轴承 > 滚动轴承 > 轴承附件】的型号,主要用在各种产业机械、罗茨鼓风机、压缩机、建筑机械、印刷机械、石油钻机转环、发电厂、陶瓷机械、凿岩机械、冶金起重机等各大领域 | ||
电话/微信:138-8949-5179
SKF W 16轴承详细信息
W 16轴承是【SKF轴承 > 滚动轴承 > 轴承附件】的型号,主要用在各种产业机械、罗茨鼓风机、压缩机、建筑机械、印刷机械、石油钻机转环、发电厂、陶瓷机械、凿岩机械、冶金起重机等各大领域。
SKF W 16轴承详细参数
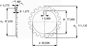
| W锁紧垫圈, 英制尺寸 | ||||||
| 尺寸 | 体积 | 型号 | ||||
| 锁紧垫圈 | 适宜的锁定螺母 | |||||
| d | d2 | B | ||||
| mm | kg | - | ||||
| 80,696 | 111,125 | 1,575 | 0,053 | W 16 | AN 16 | |
SKF W 16轴承尺寸图纸

